#809 Ring Counter SMD Practice Board
A full-featured soldering practice board with a wide range of components from 0402 to 1206 and SOP-8/16. It includes a classic 4017/555 ring counter test circuit.

Here’s a quick demo..
Notes
NB: see LEAP#171 SMD Practice Boards for an overview of all the SMD practice boards I have tried.
This is an example of a pretty full-featured practice board with a wide range of components from 0402 to 1206 and SOP-8/16.
- central feature is a classic 4017/555 ring counter test circuit - similar to the LEAP#107 Ring Counter project
- all components are laid out in circuits with clear test points
Originally purchased “SMD components welding practice board / Welding practice light kit/ Skills Training welding competition kit” (seller listing on aliexpress) for US$12.70 for 5 boards (US$2.54/board) in May-2015. That seller is no longer offering the item, but an equivalent item is available (as of Dec-2025) for SGD$2.42: “DIY SMD SMT Welding Practice Soldering Skill Training Board 3-12V Water Flowing Led DIY Kit for School Learning Project” (seller listing on aliexpress)
Kit Details

See instructions (Chinese PDF).
In translation:
- Product description
The Super SMT All-Surface Mount Soldering Practice Board Kit is a product specifically developed for spot checks on electronic assembly and debugging skills. Most current electronic products use surface mount components, and successfully assembling a product requires practice. This soldering kit consists of components for the NE555+CD4017 LED flashing circuit and surface mount practice components. The NE555+CD4017 LED flashing circuit design uses the widely used NE555 chip in digital circuits to form an oscillator, and controls the LED blinking through the CD4017’s counting output. It is a valuable product for learning and circuit analysis.
- Introduction to simple principles
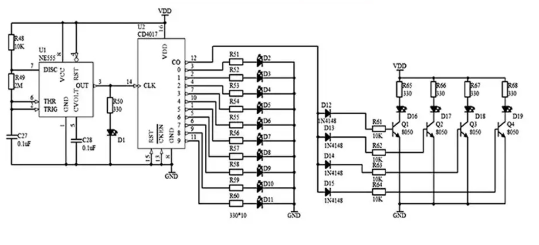
The NE555+CD4017 flowing light circuit consists of an oscillator formed by a monostable circuit based on the NE555 and a 14-stage binary serial counter. The oscillator frequency is determined by C27 and resistors R48 and R49, with a frequency of F = 1.44/(R48 + 2R49) × C27. The oscillation pulse is output from pin 3 of the NE555 as the counting pulse for the CD4017. Pin 14 (CLK) of the CD4017 is connected to the clock signal output from pin 3 of the NE555. Pins 15, 13, and 8 are grounded. Ten LEDs (D2-D11) are connected externally through ten current-limiting resistors to Y0~Y9, arranged in a circle. When the circuit is powered on, Y0~Y9 output high levels sequentially, causing the LEDs to light up sequentially, forming a flowing light ring.
Component list for NE555+CD4017 running light circuit
| Item | Name | Specification | Ref | Package | Qty |
|---|---|---|---|---|---|
| 1 | capacitor | 0.1µF | C27, C28 | 0805 | 2 |
| 2 | LED | red | D1-D11 | 0805 | 11 |
| 3 | LED | blue or green | D16-D19 | 0805 | 4 |
| 4 | diode | 1N4148 | D12-D15 | LL34 | 4 |
| 5 | transistor | S8050 | Q1-Q4 | SOT-23 | 4 |
| 6 | resistor | 10kΩ | R48, R61-R64 | 0805 | 5 |
| 7 | resistor | 2MΩ | R49 | 0805 | 1 |
| 8 | resistor | 470Ω | R50-R60, R65-R68 | 0805 | 15 |
| 9 | IC | NE555 | U1 | SO-8 | 1 |
| 10 | IC | CD4017 | U2 | SO-16 | 1 |
Component list for surface mount practice section
| Item | Name | Specification | Ref | Package | Qty |
|---|---|---|---|---|---|
| 1 | resistor | random | 1206R | 1206 | 10 |
| 2 | capacitor | random | 0805C | 0805 | 12 |
| 3 | resistor | random | 0603R | 0603 | 22 |
| 4 | resistor array | random | 0603P | 0603*4 | 6 |
| 5 | capacitor | random | 0603C | 0603 | 22 |
| 6 | resistor | random | 0805R | 0805 | 12 |
| 7 | resistor | random | 0402R | 0402 | 24 |
Circuit Design

Here’s a quick video of the test circuit in action:
Credits and References
- LEAP#171 SMD Practice Boards
- “SMD components welding practice board / Welding practice light kit/ Skills Training welding competition kit” (seller listing on aliexpress) - as originally purchased
- “DIY SMD SMT Welding Practice Soldering Skill Training Board 3-12V Water Flowing Led DIY Kit for School Learning Project” (seller listing on aliexpress) - similar kit, another seller
- LEAP#107 Ring Counter
