#169 RGB LED Module
Demo an RGB LED module
Here’s a quick video of the module in action:
Notes
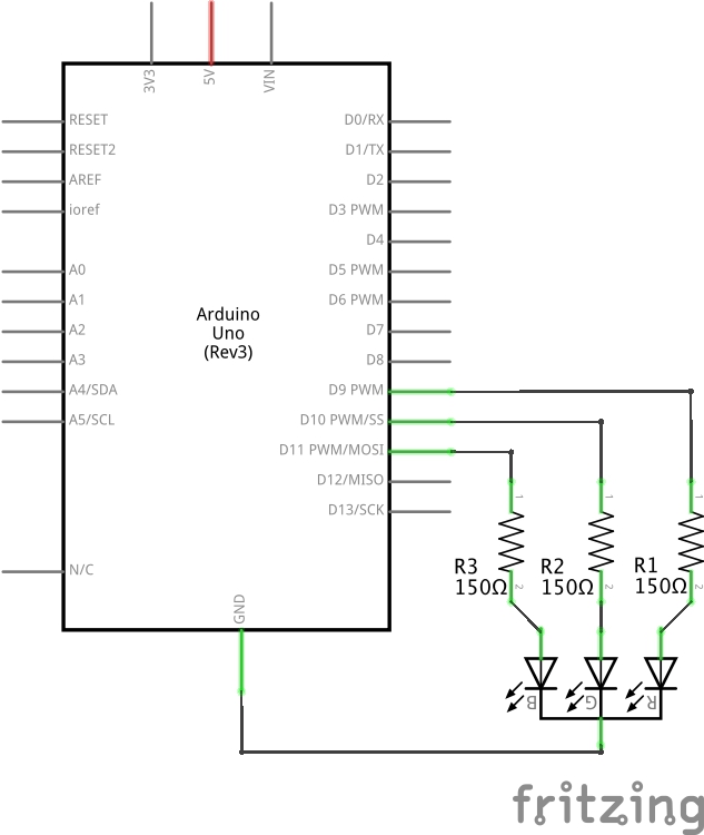
The RGB LED module is a convenience since it builds-in 150Ω current-limiting resistors for the reg, green and blue anodes of a standard 5mm round RGB LED.

The demonstration program uses PWM to run a series of effects on the module.
NB: on my module, the red and blue pins are incorrectly labeled (swapped around).
Construction



Credits and References
- Red-Green-Blue 5mm Round LED datasheet
- Arduino, Lesson 3. RGB LEDs - adafruit tutorial
- Arduino Lesson 7. Make an RGB LED Fader - adafruit tutorial
- KEYES KY-009 RGB 3 Color Full Color LED SMD Module - similar to the module I’m testing (except uses a surface mount LED)
- Arduino Cookbook - 7.4 Adjusting the Color of an LED
