#620 Glowing Star SMD Practice Board
Testing the Five-Pointed Star SMD Practice Board with LM358 oscillator LED effects.

Here’s a quick demo..
Notes
NB: see LEAP#171 SMD Practice Boards for an overview of all the SMD practice boards I have tried.
I’ve seen this “Students training DIY Kit Five-Pointed Star Breathing Light Gradient LED Light for Christmas Soldering Training Red Green Blue” (seller listing on aliexpress) around for some time, and finally shelled out SGD$1.28 (in Nov-2021) to try one out.
It’s maybe a change from the typical 4017+555 circuits used in these SMD soldering kits!
It is quite a nice little practice board for SMD soldering - or perhaps you are just after a twinkling star!
Kit
Parts:
| Item | Ref | Qty |
|---|---|---|
| 22Ω | R5 | 1 |
| 33kΩ | R6 | 1 |
| 47kΩ | R1,2,4 | 3 |
| 100kΩ | R3 | 1 |
| 47µF | C1 | 1 |
| LM358 | U1 | 1 |
| 8050-J3Y | Q1 | 1 |
| 0805 LED | LED1-20 | 20 |
| power wires | 2 | |
| PCB | 1 |


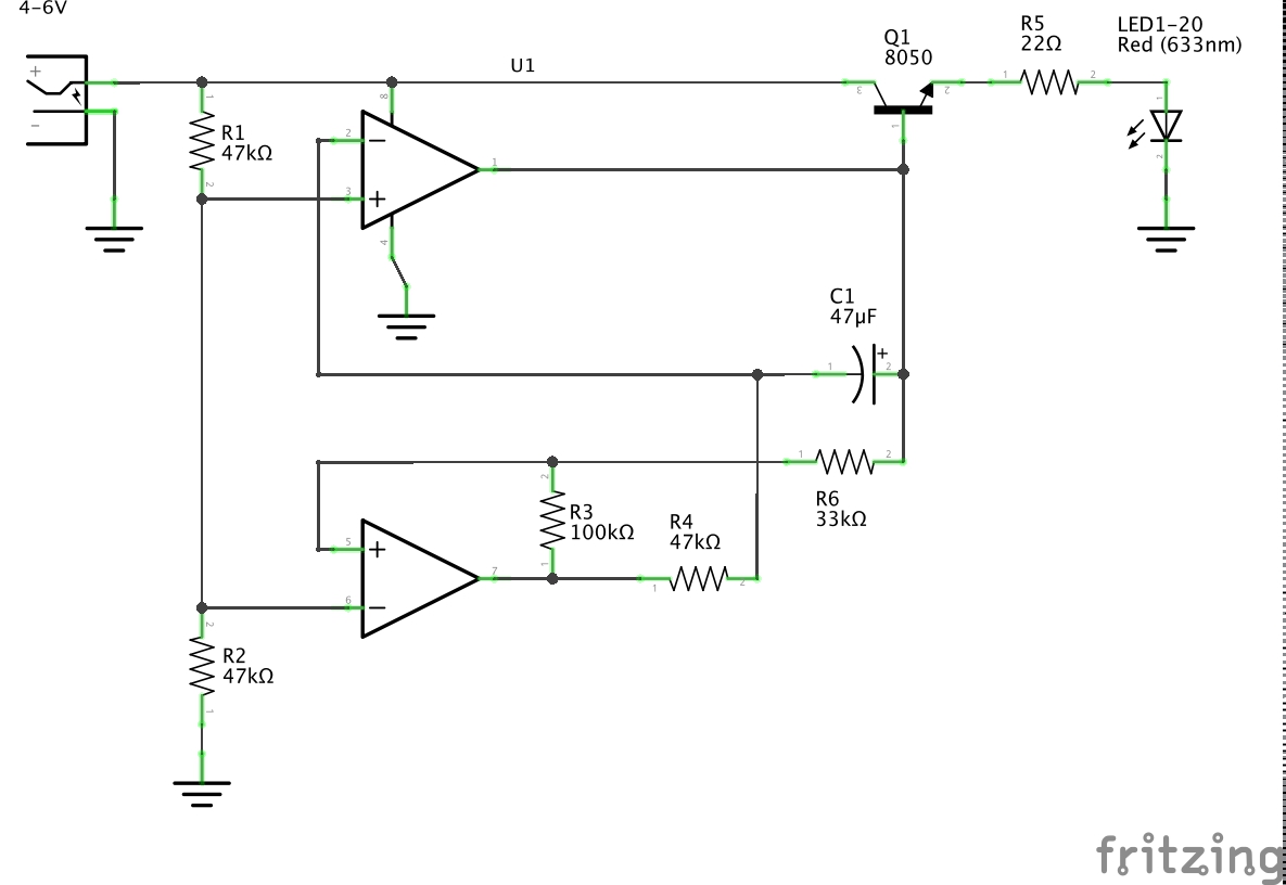
Circuit
The circuit is a simple OpAmp triangle-wave oscillator using a high-side NPN transistor to drive the LED array.



The Q1 base voltage over time - showing the triangle wave:

Construction
Haven’t done any hot air work for a while. Thought I’d do that rather than hand-solder. All good…

