#559 Slow Glow
A simple slowly-glowing LED effect using a 555 timer.

Here’s a quick demo..
Notes
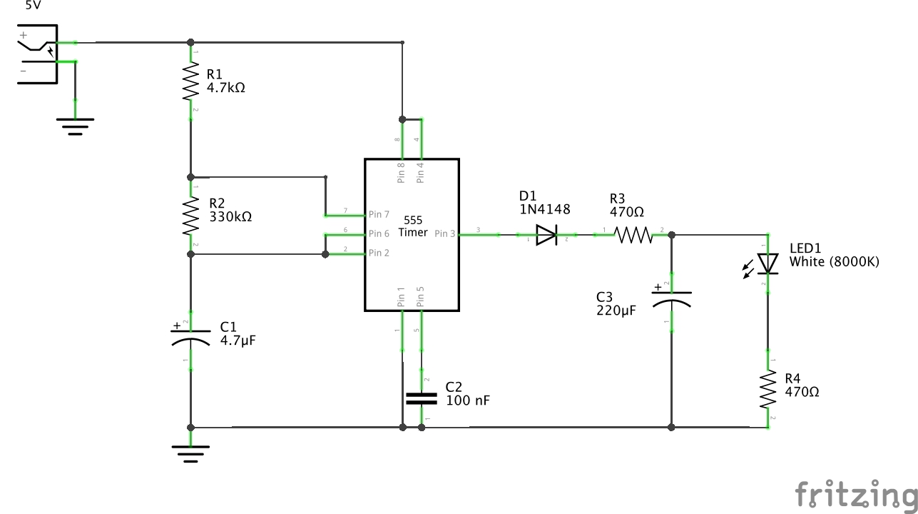
This is a simple circuit that flashes an LED at a fairly slow rate (0.5Hz) with ~50% duty cycle.
A 555 timer provides the oscillation, with R1=4.7k, R2=330k and C1=4.7uF.
The “glow” effect is achieved with a RC filter with time constant (𝛕) of about 103ms.
Construction



