#769 Low Current Reference
Building a low current reference switchable between 100μA, 200μA, 300μA and 400μA, based on a design from Louis Scully / Scullcom Hobby Electronics using the REF200 current reference and a laser-cut MDF project case.

Notes
I saw Louis Scully’s Low Current Reference tutorial many years ago, and it has long been on my list of things to build.
It is quite a simple project - essentially taking advantage of the capabilities of the REF200 current reference. The main complexity is in figuring out an efficient switching scheme to enable 100μA, 200μA, 300μA, and 400μA operation.
See the Scullcom Hobby Electronics #40 - Design & Build a Low Current Reference video for the full background:
In this project we will design and built a Low Current Reference Source which has four switched ranges, namely; 100μA, 200μA, 300μA and 400μA. No calibration is required and it will operate from a standard 9 volt battery with no on/off switch. The unit will have an accuracy of ±0.5% or better.
This project uses the Texas Instruments REF200 Dual Current Source and Current Sink I.C. This I.C. can operate over a wide voltage range from 2.5 V to 40 V and still maintain the accuracy of the output current source. Accuracy of the I.C. is ±0.5%. It also has a very low temperature Coefficient: ±25 ppm/°C.
Reference Designs
The REF200 data sheet provides some reference implementations for 200μA, 300μA, and 400μA current sources. A 100μA source is simply achieved by tapping one of the integrated 100µA sources.

I’ve tested the individual circuits on a breadboard, as follows:


| Design | Breadboard Test |
|---|---|
| 100µA | 98.5µA |
| 200µA | 196.6µA |
| 300µA | 297.0µA |
| 400µA | 397.9µA |
NB: current measurements taken with an ANENG ANG860B+ Digital Multimeter with DC µA accuracy is quoted at ±1.5%.

Switching Design
The original design uses a 3P4T switch to select between the 4 operating modes, as follows:

After analyzing the networks I found a solution that can achieve the required switching with 2P4T. Basically consider a 2-bit/4 state solution:
- CS, current source +ve, switching between
- I1L (1st current source), or
- MC (Mirror Common)
- and I1L (1st current source) switching between
- direct to CS, or
- connected to I2L
| Position | 1P (CS, current source +ve) | 2P (I1L) | Output |
|---|---|---|---|
| 1 | I1L | CS | 100µA from I1 |
| 2 | I1L | I2L | 200µA from I1 + I2 |
| 3 | MC | CS | 300µA from MC (2x I2) + I1 |
| 4 | MC | I2L | 400µA from MC (2x (I1 + I2)) |
My scratching workings:

And figuring out the wiring of the switch. Note: I’ve used a 2P6T because I did not have a 2P4T. Two throws are unused.

Wiring up the actual switch, with a protoboard adapter for the REF200:

Parts
| Qty | Spec | Notes |
|---|---|---|
| 1 | REF200 | |
| 1 | 2P4T | used 2P6T since that is what I had on hand |
| 2 | 4mm Banana Female Jack Panel Mount |
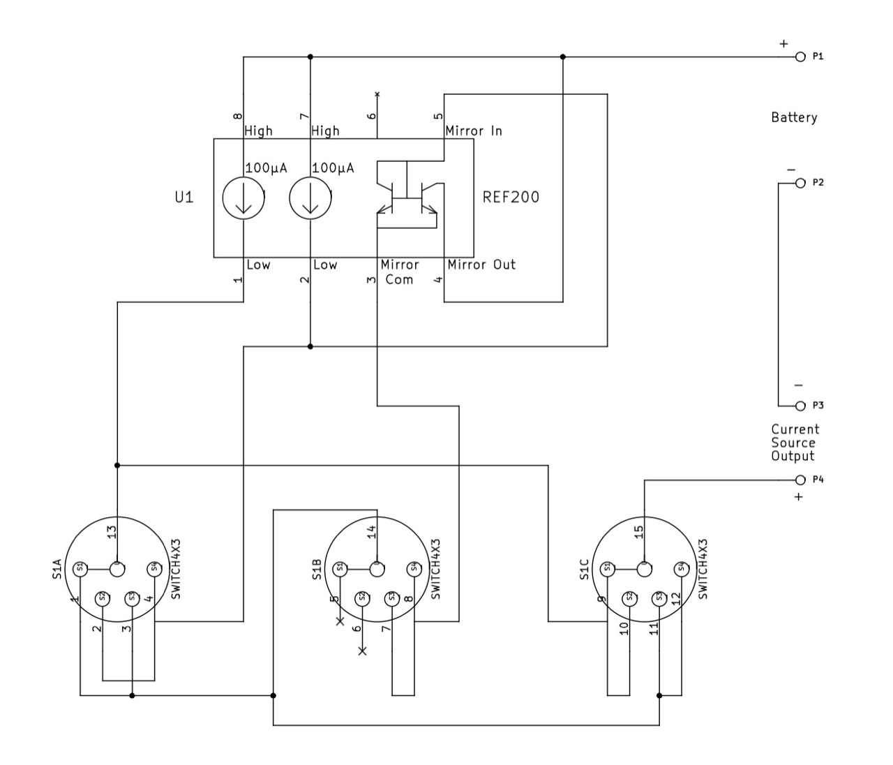
The actual schematic of the final build (drawn in EasyEDA):

Project Box
MakerCase is one of the many tools available to generate box designs. I found it on a good list of box generators.
I used MakerCase to first generate a simple parametric design:
- outside dimensions:
- width: 80mm
- height: 50mm
- depth: 40mm
- material thickness: 3mm
- closed box
- finger joints: 9mm
- exported as box-template-8x5x4.svg
I then used Affinity Designer (box-8x5x4.afdesign) to add the front panel etching, and export the resulting design as box-8x5x4.svg.
This was then imported to Inkscape (with extensions for the cutter) and positioned for laser cutting box-8x5x4-inkscape.svg The generated g-code assets:
- engraving file box-engraving-gcode.txt
- cutting file box-cut-gcode.txt
I cut the box from MDF using the Lionsforge Craftlaser at my local library .. NLB ftw!
The box parts came out quite nicely. I’ve just finished them with a light sand:

Building the Box
Attaching the components. A light file of the holes was required to get the parts to fit nicely.


With a 9V battery fitting snugly inside. There is not much room at all. If I made this again. I would move the main switch slightly further towards the edges.

Complete. I have glued the front, bottom, top and sides in place. The rear fits quite tightly without any glue, allowing battery replacement, but normally stays snugly closed.

Testing the ranges..

| Design | Breadboard Test | Final Build Measurements |
|---|---|---|
| 100µA | 98.5µA | 99.6µA |
| 200µA | 196.6µA | 199.1µA |
| 300µA | 297.0µA | 298.5µA |
| 400µA | 397.9µA | 398.4µA |
Note:
- current measurements taken with an ANENG ANG860B+ Digital Multimeter with DC µA accuracy is quoted at ±1.5%.
- readings are much closer to expected results in the final build compared to the breadboard setup, indocating that the breadboard circuits were responsible for some degree of inaccuracy.
In summary - a successful little build!
