#805 3DU5C Phototransistor
A quick review and test of the 3DU5C metal-encapsulated silicon phototransistor, used for light detection in the visible and infrared spectrum.

Notes
The 3DU5C metal-encapsulated silicon phototransistor has a peak sensitivity at 880nm in the infrared spectrum, but it is relatively good sensitivity through the visible spectrum. This makes it very useful in a wide range of applications.
Specifications:
- NPN Silicon Phototransistor
- Model : 3DU5C
- Working Voltage (max) : 10V
- Reverse Breakdown Voltage : 15V
- Dark Current : 0.3uA
- Photocurrent : 0.5-1mA
- Power Consumption : 30mW
- Peak Wavelength : 880nm
- Body Size : 7 x 5mm/ 0.28” x 0.2”(L*D)
- Total Length : 28mm/ 1.1”
- External Material : Metal
- Weight : 3g
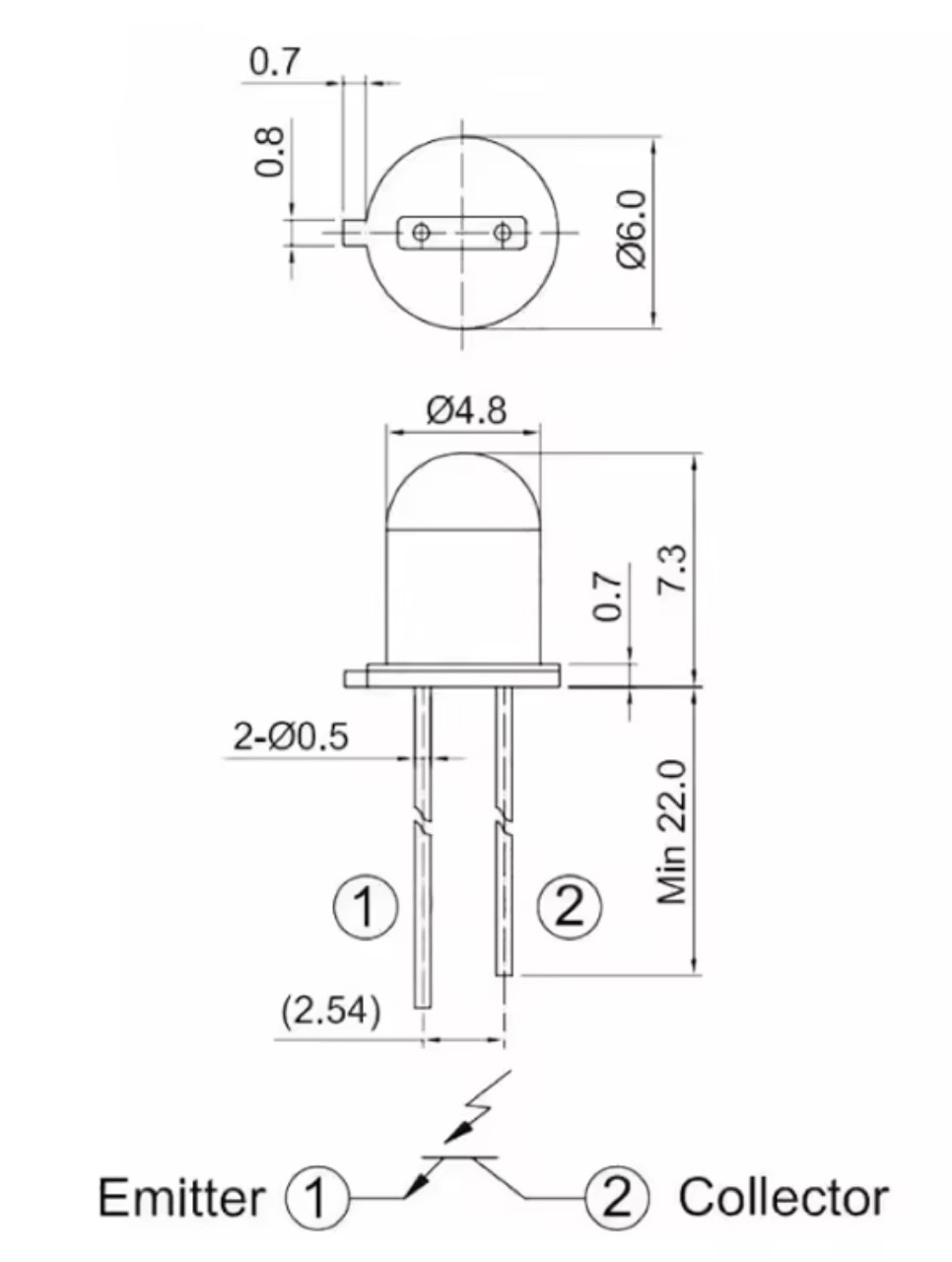
The package has equal length leads. The emitter is identified by the metal tab on the can.

Comparing Photodiodes and Phototransistors
See also The Art of Electronics 12.6.1 Photodiodes and phototransistors (3rd Edition).
Photodiodes and phototransistors are both light-sensitive semiconductor devices, but they behave quite differently.
Photodiodes:
- A diode optimized to generate current when light hits its junction
- Light creates electron–hole pairs → produces a small photocurrent.
- Used in photoconductive mode (reverse-biased) or photovoltaic mode (like a tiny solar cell).
- Characteristics:
- Fast response (nanoseconds to microseconds).
- Low gain — the photocurrent is small because there’s no internal amplification.
- Very linear and precise.
- Wide wavelength range (UV → visible → IR depending on material).
- Can be used for high-speed or analog light-measurement.
- Common uses:
- Remote controls (as a raw sensor or inside modules).
- Optical communication receivers.
- Light meters / lux sensors.
- Fiber optics.
Phototransistors:
- A transistor (BJT or sometimes photo-darlington) where light replaces the base current.
- Light generates base current → transistor amplifies it → much larger collector current.
- Characteristics:
- High gain — much more sensitive than a photodiode.
- Slower (microseconds to milliseconds) because transistor junctions store charge.
- More nonlinear behavior.
- Often packaged in IR receiver modules.
- Requires some biasing and has more electrical complexity.
- Common uses:
- IR object detection.
- Slotted opto-switches / rotary encoders.
- Simple ambient light detection.
- Counter/frequency detection at modest speeds.
In summary:
| Feature | Photodiode | Phototransistor |
|---|---|---|
| Sensitivity | Low | High (amplified) |
| Speed | Very fast | Slower |
| Linearity | Very good | Moderate |
| Noise | Lower | Higher |
| Output current | Small | Large (gain × photo-generated currents) |
| Best for | Precision & high-speed sensing | Easy, high-sensitivity detection |
Test Circuit Design
This is a quick test of the sensitivity of the 3DU5C:
- positioned on the high-side of a 3.3kΩ resistor, so voltage measured at the emitter will increase with brightness
- a 3-wire voltmeter attached to monitor the voltage
Note: this is similar to the tests described in Make: More Electronics Experiment 4: Measuring Light
Designed with Fritzing: see 3DU5C.fzz.



Test Results
Responds well to a wide range of light sources:
- LED lamp
- sunlight
- red, green, blue LEDs
- IR LED
The following is a scope trace of the voltage being excited with a blue LED:

Credits and References
- “2PCS 3DU5C Phototransistor Transistor Silicon Phototransistor Transistor Metal Package 2-pin NPN” - aliexpress seller
- https://www.alibaba.com/product-detail/3DU5C-Silicon-Phototransistor-Two-Pin-Metal_1601271212767.html - example alibaba source
- The Art of Electronics 12.6.1 Photodiodes and phototransistors (3rd Edition).
- Make: More Electronics Experiment 4: Measuring Light