#752 LED Breadboard Modules
Testing some 8x Red LED common-cathode modules, making breadboarding with LEDs much more fun!

Notes
How often do you find yourself wiring up a series of LEDs on a breadboard, along with current limiting resistors? I’d thought about making a simple module, but of course the job has already been done. I found some suitable units on aliexpress. I purchased a set of 5 for SG$3.49 (Jul-2025):
- choice of red and blue LEDs
- choice of common-cathode and common-anode configurations
- fitted with 2kΩ current limiting resistors for each LED, allowing a voltage range of 3-24V
- 8 LEDs
- 9 pins, in-line at 2.54mm pitch (breadboard compatible)
Perhaps the only improvement I can think of would be to make a version with a pin configuration that could be plugged directly into an Arduino.
Circuit Design
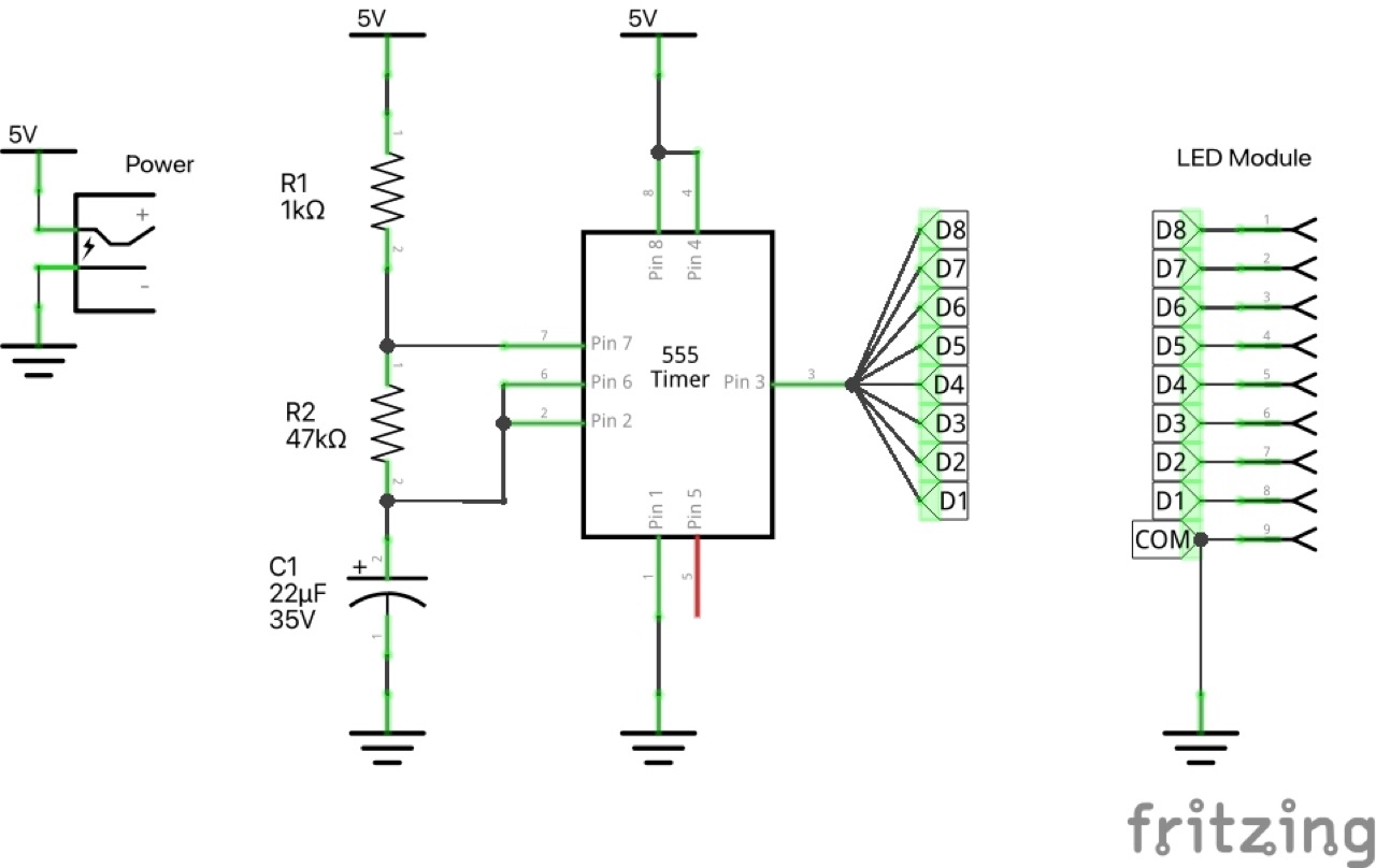
As a test, I’ll just blink them with a 555 timer at around 0.69 Hz.
I have the common-cathode module, so COM goes to ground, and a positive signal is required on the LED input.



