#783 555 Delay On
A simple 555 circuit that provides a power-on delay.

Notes
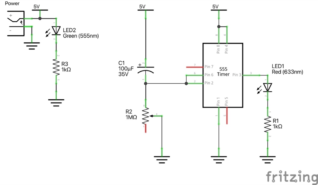
This circuit provides an output (pin 3) that does not go high until some time after power is applied. Adjustable from 1 second to 2 minutes. One can find variations of this circuit in many places, for example:
- Delay Before Turning On on Talking Electronics
Circuit Design
Designed with Fritzing: see DelayOn.fzz.



Testing
With the resistor set for a pretty short delay, I’ve captured the on-sequence with an oscilloscope:
- CH1 (Yellow) - 555 output (pin 3)
- CH2 (Blue) - power rail

Credits and References
- LM555 Datasheet
- Reference Circuits:
- Delay Before Turning On on Talking Electronics