Fork me on GitHub

Project Notes

#777 Fireworks Grand Finale

Solving cassidoo’s Fireworks Grand Finale challenge for Arduino and simulating the result with the BoldportClub Matrix

Build

Here’s a quick demo..

clip

Notes

The interview question of the week (2025-07-06) posed a deceptively simple algorithmic challenge:

Given an array of fireworks representing a series going off, write a function to find the “grand finale” of the show! A grand finale is defined as the longest sub-array where the average size is at least 5, the minimum velocity is 3, and the difference between the min and max height is no more than 10. Return the starting index of the grand finale.

Example:

const fireworks = [ {height: 10, size: 6, velocity: 4}, {height: 13, size: 3, velocity: 2}, {height: 17, size: 6, velocity: 3}, {height: 21, size: 8, velocity: 4}, {height: 19, size: 5, velocity: 3}, {height: 18, size: 4, velocity: 4} ];

grandFinaleStart(fireworks) 2

I’ve analysed and solved the problem with ruby: see LCK#339 Fireworks Grand finale for the full write-up.

But wouldn’t it be really nice to see the actual fireworks grand finale after all that work?

So that’s why I came here and decided to re-implement the solution for the Arduino (C++) and animate the display using the BoldportClub TheMatrix.

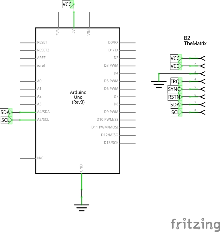
Circuit Design

The wiring is pretty simple, as the system comprises an Arduino Uno, TheMatrix board, and a host computer for control.

In operation:

  • an Arduino Uno plugged into the USB port of my host computer
  • the fireworks commands are sent over the serial connection to the Arduino
  • the Arduino controls TheMatrix over I²C

bb

schematic

bb_build

The Arduino Sketch

The GrandFinale.ino sketch implements the main algorithm:

  • initialising the matrix support library
  • reading and parsing the fireworks command from the serial input
  • evaluating the fireworks array to find the “grand finale” sub-array
    • it implements the rules as specified in the problem. Essentially it finds the longest fireworks sequence that meets the criteria:
      • average(size) >= 5
      • minimum(velocity) == 3
      • maximum(height) - minimum(height) <= 10
  • running the fireworks animation on TheMatrix.

The sketch requires the the following libraries:

Sending Data to the Arduino

The sketch expects the fireworks information to be sent in a simple 2D array, for example: [[15,5,3],[5,1,3]]. It is defined as follows:

  • Accepts up to 10 firework specifications. This is fixed limit, but can be increased by changing the MAX_FIREWORKS constant.
  • each firework specified as an array of 3 integers: height, size, and velocity
    • height is maxed out at 23 (the size of TheMatrix board)
    • size is used to determine how many particles are included in the firework animation. It is maxed out at 55, adjustable by changing the MAX_SPARKLIES constant.
    • the velocity is used to reduce the animation cycles per frame. It maxes out at 12 (fastest).

The fireworks data can be sent using the Serial Monitor in the Arduino IDE. This has the benefit of also displaying information back from the Arduino sketch including details of the “grand finale” sub-array the sketch has determined to run.

The commands can also be sent directly from the command-line. The send_matrix.sh script is an example of sending the fireworks data to the Arduino over the serial port, including setting the necessary device port settings.

On macOS, the Arduino will uses tty.* and cu.* device files:

  • tty.*: used for inbound communication (like a modem receiving data).
  • cu.*: used for outbound communication (like sending from your Mac to the device).

For sending data, it’s usually better to use the cu.* device. With my board plugged-in, I’m seeing the Arduino on:

$ ls -1 /dev/cu*usb*
/dev/cu.usbserial-2430
/dev/cu.wchusbserial2430

So I can run a fireworks sequence like this:

$ ./send_matrix.sh /dev/cu.wchusbserial2430 "[[15,5,3],[5,1,3]]"
Configuring serial port /dev/cu.wchusbserial2430 at 9600 bps...
Sent [[15,5,3],[5,1,3]] to /dev/cu.wchusbserial2430.

The Grand Finale

First let’s verify that the example provided in the problem statement runs correctly. Using the IDE, I can see the feedback that the correct “grand finale” sequence has been selected:

console_example

Running the same using the shell script:

$ ./send_matrix.sh /dev/cu.wchusbserial2430 "[[10,6,4],[13,3,2],[17,6,3],[21,8,4],[19,5,3],[18,4,4]]"
Configuring serial port /dev/cu.wchusbserial2430 at 9600 bps...
Sent [[10,6,4],[13,3,2],[17,6,3],[21,8,4],[19,5,3],[18,4,4]] to /dev/cu.wchusbserial2430.

This runs a single-firework finale ([15,5,3]):

$ ./send_matrix.sh /dev/cu.wchusbserial2430 "[[15,5,3]]"
Configuring serial port /dev/cu.wchusbserial2430 at 9600 bps...
Sent [[15,5,3]] to /dev/cu.wchusbserial2430.

This should also a single-firework finale ([15,5,3]), since the second element reduces the average size below 5:

$ ./send_matrix.sh /dev/cu.wchusbserial2430 "[[15,5,3],[5,1,3]]"
Configuring serial port /dev/cu.wchusbserial2430 at 9600 bps...
Sent [[15,5,3],[5,1,3]] to /dev/cu.wchusbserial2430.

Now let’s open the flood-gates and put on a more impressive display:

$ ./send_matrix.sh /dev/cu.wchusbserial2430 "[[20,55,12],[10,10,3],[15,35,7]]"
Configuring serial port /dev/cu.wchusbserial2430 at 9600 bps...
Sent [[20,55,12],[10,10,3],[15,35,7]] to /dev/cu.wchusbserial2430.

See the demo video for the fireworks in action:

clip

Credits and References

About LEAP#777
BoldportPCB DesignLEDAS1130cassidoo

This page is a web-friendly rendering of my project notes shared in the LEAP GitHub repository.

Project Source on GitHub Return to the LEAP Catalog
About LEAP

LEAP is my personal collection of electronics projects - usually involving an Arduino or other microprocessor in one way or another. Some are full-blown projects, while many are trivial breadboard experiments, intended to learn and explore something interesting.

Projects are often inspired by things found wild on the net, or ideas from the many great electronics podcasts and YouTube channels. Feel free to borrow liberally, and if you spot any issues do let me know or send a pull-request.

NOTE: For a while I included various scale modelling projects here too, but I've now split them off into a new repository: check out LittleModelArt if you are looking for these projects.

Project Gallery view the projects as an image gallery Notebook reference materials and other notes Follow the Blog follow projects and notes as they are published in your favourite feed reader