#787 AT89C2051 Timers
All about using 8051 timer registers with the AT89C2051.

Notes
8051 Timers
The 8051 has two timers Timer0 (T0) and Timer1 (T1), both are 16-bit wide. Since 8051 has 8-bit architecture, each of these is accessed by two separate high/low 8-bit registers (TH0, TL0, TH1, TH0). These registers are used to load timer count.
Each timer may be configured to operate in one of four modes:
- Mode 0: 13-bit timer/counter, 8-bit of THx & 5-bit of TLx
- Mode 1: 16-bit timer/counter, THx cascaded with TLx
- Mode 2: 8-bit timer/counter (auto-reload mode), TLx reload with the value held by THx each time TLx overflows
- Mode 3: Split the 16-bit timer into two 8-bit timers i.e. THx and TLx like two 8-bit timer
Timer Clock
The 8051 microcontrollers provides a clock source to the timers operating at 1/12th of the frequency of crystal attached to the microcontroller (the machine cycle).
For example, with a 16 MHz crystal:
Timer clock frequency
= 16 MHz / 12
= 1.333... MHz
Period T
= 12 / 16 MHz
= 0.75 μs
Clock cycles per millisecond
= 1 ms / 0.75 μs
= 1333.333...
Note that at 16 MHz we don’t get a clean division to 1ms / 1 Hz. This could be a good reason for using a 12 MHz crystal instead, if accurate timing is required.
8051 Timer Registers
8051 has a Timer Mode Register and Timer Control Register for selecting a mode of operation and controlling purpose.
TMOD Register
TMOD is an 8-bit register used to set timer mode of Timer0 and Timer1.

| Bit | Value | Description |
|---|---|---|
| GATE (7,3) | 0 | Enable Timer/Counter when TR0/TR1 is set |
| GATE (7,3) | 1 | Enable Timer/Counter only when the INT0/INT1 pin is high and TR0/TR1 is set. |
| C/T (6,2) | 0 | Use as Timer |
| C/T (6,2) | 1 | Use as Counter |
| M1+M0 (5+4,1+0) | 00 | Mode 0: 13-bit timer/counter, 8-bit of THx & 5-bit of TLx |
| M1+M0 (5+4,1+0) | 01 | Mode 1: 16-bit timer/counter, THx cascaded with TLx |
| M1+M0 (5+4,1+0) | 10 | Mode 2: 8-bit timer/counter (auto-reload mode), TLx reload with the value held by THx each time TLx overflow |
| M1+M0 (5+4,1+0) | 11 | Mode 3: Split the 16-bit timer into two 8-bit timers i.e. THx and TLx like two 8-bit timer |
TCON Register
TCON is an 8-bit control register and contains timer and interrupt flags.

| Bit | Value | Description |
|---|---|---|
| TF1 (7) | 0 | Timer1 overflow not occurred. |
| TF1 (7) | 1 | Timer1 overflow occurred (i.e. Timer1 goes to its max and roll over back to zero). |
| TR1 (6) | 0 | Timer1 stop. |
| TR1 (6) | 1 | Timer1 start. |
| TF0 (5) | 0 | Timer0 overflow not occurred. |
| TF0 (5) | 1 | Timer0 overflow occurred (i.e. Timer1 goes to its max and roll over back to zero). |
| TR0 (4) | 0 | Timer0 stop. |
| TR0 (4) | 1 | Timer0 start. |
| IE1 (3) | 0 | External interrupt1 Processed. |
| IE1 (3) | 1 | External interrupt1 occurred.. |
| IT1 (2) | 0 | External Interrupt1 Trigger Type Select Bit: Interrupt occur on a low level at the INT1 pin. |
| IT1 (2) | 1 | External Interrupt1 Trigger Type Select Bit: Interrupt occurs on falling edge at INT1 pin. |
| IE0 (1) | 0 | External interrupt0 Processed. |
| IE0 (1) | 1 | External interrupt0 occurred.. |
| IT0 (0) | 0 | External Interrupt0 Trigger Type Select Bit: Interrupt occur on a low level at the INT0 pin. |
| IT0 (0) | 1 | External Interrupt0 Trigger Type Select Bit: Interrupt occurs on falling edge at INT0 pin. |
Note:
- Timer1/Timer0 Overflow Flag: It is cleared through software. In the Timer1 overflow interrupt service routine, this bit will get cleared automatically while exiting from ISR.
- Timer1/Timer0 Run Control Bit. It is set and cleared by software.
- External Interrupt1/Interrupt0 Edge Flag: It is set and cleared by hardware.
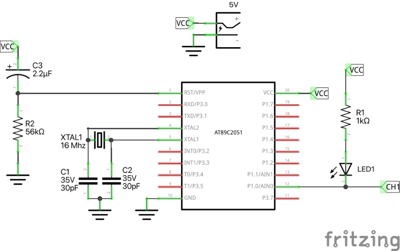
Demo Circuit Design
Designed with Fritzing: see Timers.fzz.


The Code
See src/Timers.c
The core ms_delay function is implemented as follows:
#define CPU_MHZ (16)
#define TIMER_TICKS_PER_MS ((CPU_MHZ * 1000000UL) / 12 / 1000)
#define MAX_STEPS_PER_TIMER_CYCLE (0xFFFF / TIMER_TICKS_PER_MS)
void ms_delay(unsigned int ms) {
TMOD = 0x01; // timer 0, mode 1, 16 bit mode
unsigned int counter;
unsigned int step = MAX_STEPS_PER_TIMER_CYCLE;
while (ms > 0) {
if (ms < step) step = ms;
ms -= step;
counter = 0xFFFF - step * TIMER_TICKS_PER_MS + 1;
TL0 = counter & 0xFF; // Low byte
TH0 = (counter >> 8) & 0xFF; // High byte
TR0 = 1; // timer on
while (!TF0); // wait until overflow
TR0 = 0; // timer off
TF0 = 0; // clear flag
}
}
Key points to note:
- The timing calculation is based on the clock frequency.
- If a different crystal is used, just need to change
CPU_MHZaccordingly
- If a different crystal is used, just need to change
- We use the timer to wait for
TIMER_TICKS_PER_MSmachine cycles per ms - Since we can only count to 0xFFFF (just over 49ms at 16 MHz) per timer cycle,we need to loop over the timer multiple times to reach the desired delay
- We set the timer for
MAX_STEPS_PER_TIMER_CYCLEfor n-1 loops - Then set the final loop to any remaining time left over
- We set the timer for
Programming
The src/Makefile is setup to compile the code using the SDCC compiler .. running on macOS in this instance:
$ cd src
$ make
sdcc -mmcs51 --code-size 2048 Timers.c -o Timers.ihx
packihx Timers.ihx > Timers.hex
packihx: read 18 lines, wrote 25: OK.
Program the chip using at89overlord and
the LEAP#394 AT89C2051 Programmer:
$ at89overlord -p /dev/tty.usbserial-2420 -f ./Timers.hex
# Initializing the programmer...
# Initialized!
# Confirming chip ID...
# Confirmed!
# Erasing flash...
# Done!
# Writing flash...
# Done!
# Verifying...
# Done!
Testing
I have the circuit setup on a breadboard with the LEAP#780 AT89C2051 Breadboard Adapter:

Monitoring the LED output on the scope CH1 (Yellow), running at 1Hz as expected:
